LCD1602 LCD yellow-green film character dot matrix LCD displ
访问资料: 发布日期:2015-10-29 17:46
1.The physical diagram:
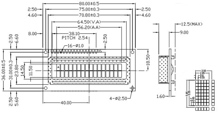
2.The dimensions:

3.The interface definition:

4.The principle chart:

[Model]: LCM1602A-V2.0
[Product Type]: character dot matrix LCD module
[Display]: 16 (column) * 02 (row) point
[Dimensions]: 80 * 36 * 12.5
[Horizon] size: 64.5 × 14.5
[Dot] size: 0.55 × 0.65
[Character] size: 2.95 × 5.55
[Display Mode]: green, blue, gray
[Perspective] Display: 6:00 Perspective
[Control chip]: S6A0069 and compatible
[Operating voltage]: + 5V / + 3.3V
[Storage temperature]: room temperature (temperature 0 ~ + 50 ℃, Storage temperature -10 ~ + 60 ℃);
Wide temperature (operating temperature -20 ~ + 70 ℃, Storage temperature -30 ~ + 80 ℃)....
Detailed introduction
1602A-V2.0 character LCD module is designed to display letters, numbers, symbols, dot matrix LCD module. Points 4 and 8 data transmission. Provide 5 × 7 dot matrix + cursor display mode. Character generator provides display data buffer CGRAM, CGRAM can use to store up to 8 5 × 8 dot matrix data graphic character define yourself. Provides a rich instruction set: clear display; cursor back to the origin; display on / off; cursor on / off; display blinks; cursor shift; display displacements. Provide internal power-on reset circuit automatically when the external power supply voltage exceeds + 4.5V, automatic initialization module, the module is set to the default display state.
Display 2 lines, 16 characters per line, each character size of 5 × 8 dot matrix. Character generator RAM can be based on customer demand, customized characters in Japanese, Russian, etc. 12 different countries.
LCD module (LCM) of LCD color yellow-green, blue and gray for customers to choose. LED Backlight color yellow-green, orange, white, red, emerald green, and blue for customers to choose.

